Чертежи шумозащитных экранов


Чертёж секции шумозащитного экрана с панелями ПШП100.500 ПМГ

Чертёж секции шумозащитного экрана с панелями ПШП100.500 ПМГЧертёж секции шумозащитного экрана с панелями ПШП100.500 ПМГ Шумозащитный экран 6 мШумозащитный экран 6 м

Чертёж стойки шумозащитного экрана

Чертёж стойки шумозащитного экранаЧертёж стойки шумозащитного экрана Стойка шумозащитного экрана 6 мСтойка шумозащитного экрана 6 м

Чертёж шумозащитного экрана комбинированного с прозрачным поликарбонатом

Чертёж шумозащитного экрана комбинированного с прозрачным поликарбонатомЧертёж шумозащитного экрана комбинированного с прозрачным поликарбонатом Комбинированный шумозащитный экран с прозрачными панелямиКомбинированный шумозащитный экран с прозрачными панелями

Чертёж: Ростверк армирование фундамента шумозащитного экрана

Ростверк армирование фундамента шумозащитного экрана чертёжРостверк армирование фундамента шумозащитного экрана чертёж

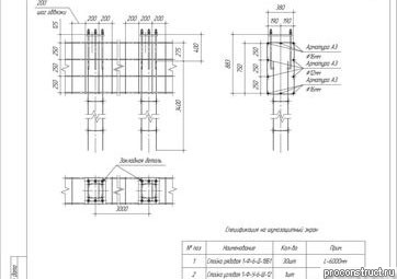
Армирование ростверка и БНС шумозащитного экрана чертёж

Армирование ростверка и БНС шумозащитного экрана чертёжАрмирование ростверка и БНС шумозащитного экрана чертёж

Ворота распашные шумозащитные ПМГ

Ворота распашные шумозащитные ПМГВорота распашные шумозащитные ПМГ

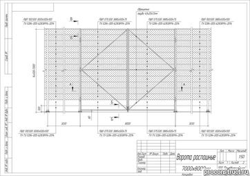
Ворота распашные шумозащитные чертёж

Ворота распашные шумозащитные чертёжВорота распашные шумозащитные чертёж

Чертёж откатных ворот шумозащитных

Чертёж откатных ворот шумозащитныхЧертёж откатных ворот шумозащитных
фото шумопоглощающих экранов фото шумоотражающих экранов фото прозрачных шумозащитных экранов фото комбинированных шумозащитных экранов ворота шумозащитные мобильный шумозащитный экран фото шумозащитных кожухов видео шумозащитных экранов